Import quantity: 1
Number of exports: 1
Displacement: 50cc/r; 100cc/r
| Round Glue Gear Pump Features Introduction |
During gear meshing operation, there is no relative sliding between tooth profiles, which avoids tooth surface wear and ensures smooth operation. It also eliminates the trapped fluid issue, offering features such as low noise, long service life, and high operational efficiency, significantly improving equipment stability and durability.
| Round Glue Gear Pump Product Introduction |
| One Inlet One Outlet Glue Gear PumpInlet Ports1Outlet Ports1Displacement0.1cc/r~8cc/rSpeed10~80r/minOutlet Pressure<20MPaOperating Temperature<220℃ | One Inlet Two Outlets Glue Gear PumpInlet Ports1Outlet Ports2Displacement0.15cc/r~6cc/rSpeed10~80r/minOutlet Pressure<20MPaOperating Temperature<220℃ |
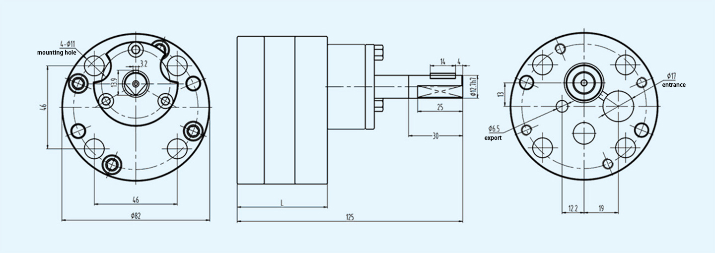
| Round Glue Gear Pump Outline Drawing |


|
Model
| JSB1×0.15N1 | JSB1×0.60N1 | JSB1×0.75N1 | JSB1×0.90N1 | JSB1×1.20N1 | JSB1×1.80N1 | JSB1×2.00N1 | JSB1×3.00N1 | JSB1×3.20N1 | JSB1×4.50N1 | JSB1×5.40N1 |
L(mm)
| 35 | 36.5 | 37.5 | 38.2 | 39.8 | 43.3 | 44.4 | 50 | 51 | 46.8 | 49.5 |

Tianjin Ruicheng Pump Industry Co., Ltd. is based on technology and quality. If the above products do not meet your requirements, you can contact Ruicheng Pump's professional technician, Mr. Liu: 18698063785. Based on your specific situation, we will customize a suitable melt pump product for you.
Operating temperature: < 220 ℃
Main application: Glue coating for insulating glass