Square Chemical Fiber Spin Finish Pump Main Uses / Main Uses
Tow oiling
Square Spin Finish Pump Models and Technical Parameters / Technical Parameter
| Inlets | Outlets | Displacement (cc/r) | Speed (r/min) | Operating Temp. (℃) | Recommended Speed (cc/r) |
| 1 | 4~12 | 0.06~0.3 | 10~50 | ≤80 | 25
|
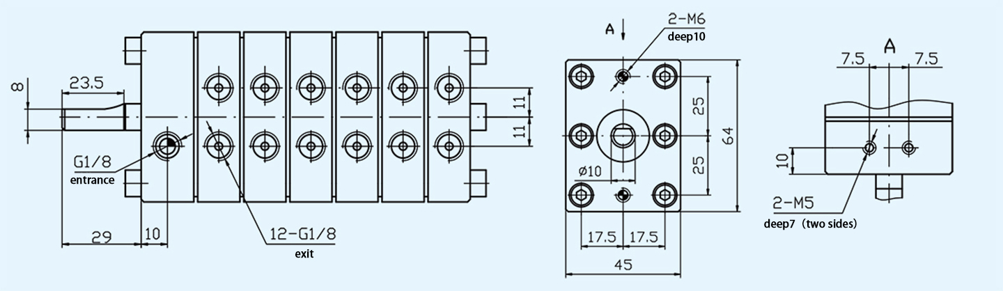
Square Spin Finish Pump Outline Drawing / Outline drawing

Tianjin Ruicheng Pump Industry Co., Ltd. is based on technology and quality. If the above products do not meet your requirements, you can contact Ruicheng Pump Industry's professional technical staff, Engineer Liu:18698063785. Based on your specific situation, we will customize a suitable melt pump product for you.