Main Applications of Square Chemical Fiber Spinning Pumps / Main Uses
Polyester, Nylon Filament (PET, PA long fiber, etc.)
Models and Technical Parameters of Square Chemical Fiber Spinning Pumps / Technical Parameter
| Model | Inlet Ports | Outlet Ports | Displacement (cc/r) | Speed (r/min) | Outlet Pressure (MPa) | Operating Temp. (℃) | Cleaning Temp. (℃) | Max. Pressure Diff. (MPa) | Recommended Speed (cc/r) |
| 1 Inlet 1 Outlet | 1 | 1 | 6~30 | 10~40 | ≤40 | 320 | 450 | 20 | 15~25
|
| 40~100 |
| 1 Inlet 2 Outlets | 1 | 2 | 3~30 | 10~30 |
Outline Drawings of Square Chemical Fiber Spinning Pumps / Outline drawing
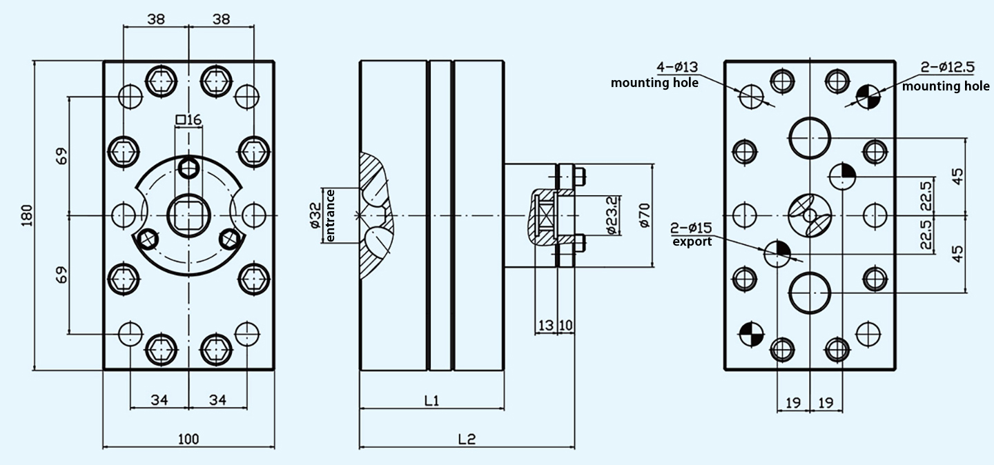
1 Inlet 2 Outlets Displacement: 6~30cc/r Outline Drawing of Chemical Fiber Spinning Pump

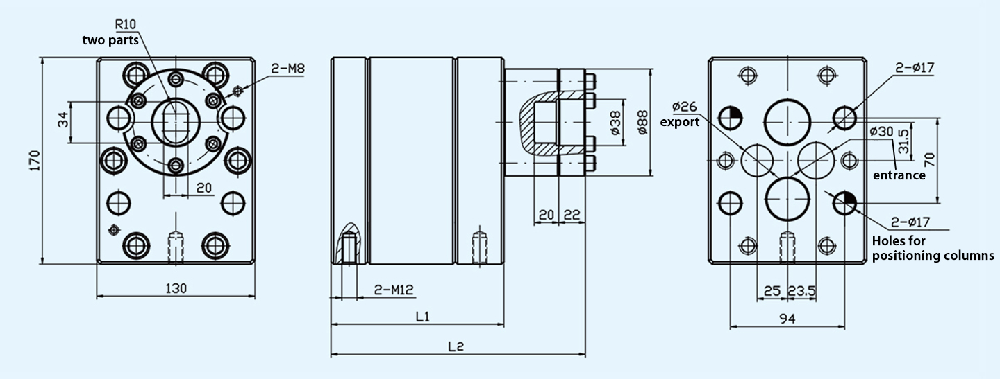
1 Inlet 1 Outlet Displacement: 40~100cc/r Outline Drawing of Chemical Fiber Spinning Pump

1 Inlet 1 Outlet Displacement: 6~30cc/r Outline Drawing of Chemical Fiber Spinning Pump

Tianjin Ruicheng Pump Industry Co., Ltd. is rooted in technology and quality. If the above products do not meet your needs, you can contact Ruicheng Pump's professional technician, Mr. Liu: 18698063785. Based on your specific situation, we can customize suitable chemical fiber spinning pump products for you.